首页    永磁驱动电机    新能源商用车    KTZ54X54S-D0A 公交客车一体化系统控制器单体

KTZ54X54S-D0A 公交客车一体化系统控制器单体

性能参数

额定容量(KVA)

150

峰值容量(KVA)

356

额定电流(A)

228

峰值电流(A)

540

额定条件下效率

≥ 98.5%

最高输出频率(Hz)

800

工作电压范围(VDC)

420-750

重量(kg)

≤ 12

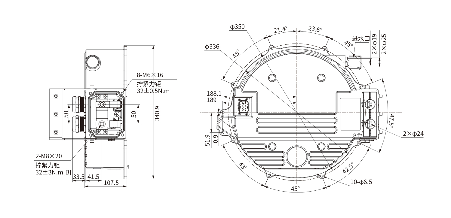
尺寸(mm)

φ310×108

防护等级

IP67

附加功能

ASR、主动放电、防溜坡、滑行回馈

  • 购买咨询>

  • 联系方式>