首页    永磁驱动电机    新能源商用车    TZ400XS-90-K01 8 米公交客车方案

TZ400XS-90-K01 8 米公交客车方案

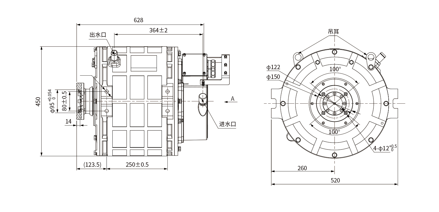
性能参数

持续功率 (kW)

90

峰值功率 (kW)

150

持续扭矩 (N.m)

636

峰值扭矩 (N.m)

1700

持续转速 (rpm)

1350

最高转速 (rpm)

3000

电池电压 (VDC)

540

峰值电流 (A)

420

冷却方式

液冷

防护等级

IP67

最高反电势 (Vrms)

750

 

 

  • 购买咨询>

  • 联系方式>