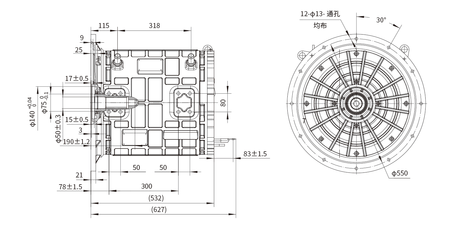
首页    永磁驱动电机    新能源商用车    TZ400XS-330-K01 40-70 吨中重型卡车方案

TZ400XS-330-K01 40-70 吨中重型卡车方案

性能参数

持续功率 (kW)

330

峰值功率 (kW)

430

持续扭矩 (N.m)

1628

峰值扭矩 (N.m)

2650

持续转速 (rpm)

1935

最高转速 (rpm)

3000

电池电压 (VDC)

650

峰值电流 (A)

800

冷却方式

液冷

防护等级

IP67

最高反电势 (Vrms)

588

 

 

 

 

 

  • 购买咨询>

  • 联系方式>